◎ VDI30-MT-ER25 Axial Offset Driven Tool Holder_Int.
◎ Tool Holder is produced in accordance with DIN 69880.
◎ Driven Coupling is according to SPUR MT TOEM.
◎ ER Collet is according to DIN6499.
◎ For left hand and right hand turret.
◎ Further option : 6000 RPM
◎ Gear Ratio:1:1
◎ R.P.M.:Max. 5,000 RPM
◎ Internal Coolant:30 bar

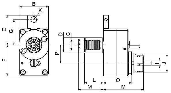
| Model No. | B | D | E | F | G | I | J | K | L | M | N | O | P | N.W. (KG) |
| THB-C04.29-30DI | 64 | 30 | 57 | 58.5 | 48 | ER25(2~16) | 42 | 12 | 45 | 62 | 109.5 | 83 | 29 | 3.3 |
Unit:mm